Skip Navigation LinksExterior door sill upstand 42mm - 2 stooled sill



Name   Batten Burglar-proof Insulation Qty.    
 
 
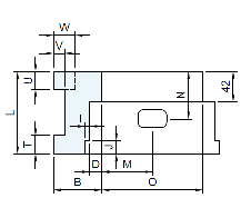
[L] Jamb depth
[B] Jamb width
[H] Sill stool height
[Centering bushes]
[Centering bush 1 delta x]
[Centering bush 2 delta x]
[O] Clear opening width
[Rabbet side]
[Infill]
[Click profile]
[Glazing bead]
[Protective building phase cover]
[U-profile]
[L-profile]
[S] Rabbet width
[D] Rabbet depth
[Rabbet stop]
[I] Hinge rabbet depth
[J] Hinge rabbet width
[Strike plate]
[M] Strike plate position
[N] Strike plate offset
[T] Backbend outside face
[U] Backbend inside face
[V] Throat opening depth
[W] Optional offset in wall
[A] Miter angle
Left jamb + opening 1
Right jamb